Wednesday, February 28, 2024

💎 Unlock Optimal Performance: 5 Power-Packed Insights from the 2003 Polaris Predator Wiring Diagram

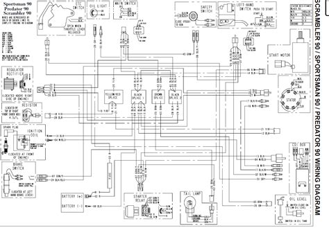
Explore the intricacies of the 2003 Polaris Predator Wiring Diagram. Unlock 5 essential insights into the ATV's electrical system for optimal performance. Dive into the details now!

In the realm of off-road enthusiasts and adept mechanical aficionados, the 2003 Polaris Predator Wiring Diagram stands as an indispensable guide, serving as the pivotal nexus between electrical intricacies and optimal performance. This comprehensive article delves into the intricate world of wiring diagrams and schematics, illuminating the systematic orchestration behind the Polaris Predator's electrical architecture. Encompassing a meticulous examination of circuitry, connectors, and component interactions, our discourse aims to unravel the labyrinthine tapestry of the Predator's electrical system. By scrutinizing this Wiring Diagram, readers will gain invaluable insights into the intricacies that underscore the optimal functioning of this iconic all-terrain vehicle, fostering a profound understanding of its electrical infrastructure.

Unlock Optimal Performance: 5 Power-Packed Insights from the 2003 Polaris Predator Wiring Diagram

The Significance of Wiring Diagrams in Automotive Systems

Wiring diagrams serve as the blueprint for the intricate electrical systems in vehicles, providing a comprehensive visual representation of component interconnections. The 2003 Polaris Predator Wiring Diagram is a prime example, encapsulating the meticulous design of an all-terrain vehicle's electrical infrastructure.

Wiring Diagrams in Automotive Systems

Decoding the Anatomy of Wiring Diagrams

At its core, a wiring diagram unravels the complex web of electrical connections within a vehicle. Each line, symbol, and color represents a specific component or connection, forming a visual language essential for technicians and enthusiasts alike. Delving into the 2003 Polaris Predator Wiring Diagram, enthusiasts can decipher the intricacies that empower their understanding of the ATV's electrical composition.

Decoding the Anatomy of Wiring Diagrams

The Role of Schematics in Electrical Systems

Complementary to wiring diagrams, schematics provide a detailed representation of electronic circuits, revealing the relationship between various components. In the context of the Polaris Predator, the 2003 Polaris Predator Wiring Diagram seamlessly integrates schematic insights, unraveling the synergy between electrical elements in this formidable all-terrain vehicle.

The Role of Schematics in Electrical Systems

Understanding Symbols and Codes

Wiring diagrams employ a standardized set of symbols and codes to represent various electrical components and their functions. Each symbol acts as a visual shorthand, facilitating efficient communication within the automotive community. In the case of the 2003 Polaris Predator Wiring Diagram, deciphering these symbols unveils the precise orchestration of the ATV's electrical ensemble.

Understanding Symbols and Codes

Diagnostic Power: Troubleshooting with Wiring Diagrams

Wiring diagrams are indispensable tools in diagnosing electrical issues. By referencing the 2003 Polaris Predator Wiring Diagram, technicians can systematically trace and analyze electrical faults, ensuring efficient troubleshooting and precision in resolving problems that may arise during the ATV's lifespan.

Diagnostic Power: Troubleshooting with Wiring Diagrams

Application Beyond Automotive: Diverse Industries

While integral to automotive design, wiring diagrams extend their utility to various industries. From household appliances to industrial machinery, the fundamental principles illustrated by the 2003 Polaris Predator Wiring Diagram transcend the realm of ATVs, showcasing the versatility and universality of this indispensable engineering tool.

Application Beyond Automotive: Diverse Industries

Evolution of Wiring Diagrams: Digital Advancements

The advent of digital technology has revolutionized the presentation and accessibility of wiring diagrams. With interactive online platforms and augmented reality applications, enthusiasts and technicians can engage with the intricacies of the 2003 Polaris Predator Wiring Diagram in an immersive and dynamic manner, fostering a new era of diagnostic precision.

Evolution of Wiring Diagrams: Digital Advancements

Empowering Enthusiasts: DIY Repairs and Modifications

Armed with a profound understanding of the 2003 Polaris Predator Wiring Diagram, enthusiasts can embark on do-it-yourself repairs and modifications with confidence. This accessibility empowers ATV owners to take an active role in maintaining and customizing their vehicles, fostering a community of informed and skilled enthusiasts.

Empowering Enthusiasts: DIY Repairs and Modifications

Conclusion: Navigating the Electrical Landscape

The 2003 Polaris Predator Wiring Diagram encapsulates the epitome of precision in electrical documentation. As we conclude our exploration, it becomes evident that wiring diagrams are not mere blueprints; they are dynamic navigational aids, guiding technicians and enthusiasts through the intricate electrical landscapes of advanced vehicles like the Polaris Predator.

Conclusion: Navigating the Electrical Landscape

Conclusion:

Thank you for embarking on this comprehensive journey through the intricate terrain of the 2003 Polaris Predator Wiring Diagram. As you've navigated the nuanced intricacies of this essential documentation, we trust that the insights gleaned have fostered a profound understanding of the ATV's electrical architecture. Whether you are a seasoned technician, a dedicated enthusiast, or an individual with a burgeoning curiosity about vehicular electronics, the revelations embedded in this exploration aim to empower and enlighten.

As you contemplate the symbiotic dance of wires and components within the 2003 Polaris Predator Wiring Diagram, envision not just a static representation, but a dynamic roadmap to optimal performance. Beyond troubleshooting and repairs, these insights unlock a realm of possibilities for DIY modifications and enhancements. Harness the knowledge gained here to not only decode the intricacies of the Polaris Predator but also to embark on a journey of empowerment, where understanding begets control. Stay tuned for more elucidating explorations into the heart of vehicular engineering, where the language of wires speaks volumes about the precision and craftsmanship that define the world of off-road vehicles.

Keyword:2003 Polaris Predator Wiring Diagram

Related Keywords:DIY Repairs, Wiring Diagrams, Electrical Systems, schematics, Polaris Predator


No comments:

Post a Comment