Monday, February 26, 2024

💥 Unlock the Power: Explore the 2003 Passat Engine Diagram - Decoding Automotive Precision in 5 Steps!

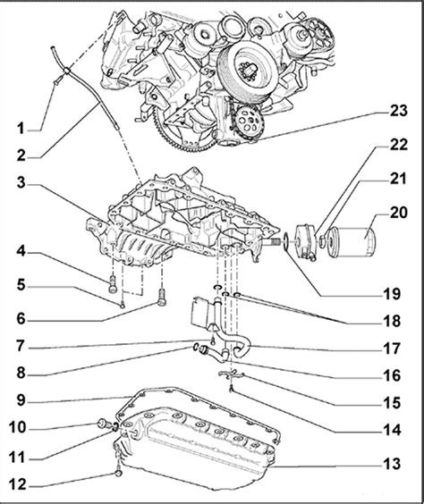
Explore the intricacies of your 2003 Passat with our detailed engine diagram. Uncover the precise wiring and schematic details in this comprehensive guide for automotive enthusiasts.

In the intricate tapestry of automotive engineering, the 2003 Passat Engine Diagram stands as a pivotal roadmap, unveiling the intricate network of wires and circuits that breathe life into this German-engineered masterpiece. As we delve into the wiring diagram and schematic intricacies, our journey becomes a meticulous exploration of precision and functionality. Picture this article as a seasoned guide, illuminating the pathways of electrical connectivity within the 2003 Passat's beating heart. Every line and node is dissected with analytical precision, offering readers a comprehensive insight into the vehicular nervous system. Let us embark on this illuminating expedition, unraveling the blueprint that defines the harmonious synergy between technology and automotive prowess.

Unlock the Power: Explore the 2003 Passat Engine Diagram - Decoding Automotive Precision in 5 Steps!

The 2003 Passat Engine Diagram:

In the intricate realm of automotive marvels, the 2003 Passat Engine Diagram is a captivating journey into the heart of German engineering. Let's embark on this visual expedition through wires, circuits, and the symphony of mechanical poetry that powers your beloved vehicle.

Decoding the Engine

Decoding the Engine: Unraveling the Mysteries

Imagine peeling back the layers of automotive mystique to reveal the intricate dance of wires and circuits within your 2003 Passat. This wiring diagram serves as a roadmap, guiding us through the mesmerizing ballet of electrical connectivity that breathes life into the mechanical beast.

Navigating Circuits

Navigating Circuits: The Choreography of Power

With the precision of a skilled conductor, the 2003 Passat Engine Diagram navigates the circuits, orchestrating a harmonious symphony of power. Each wire plays a crucial role, akin to the instruments in a grand orchestra, contributing to the smooth performance of your vehicle.

Schematic Blueprint

Schematic Blueprint: Architectural Marvels

Delve into the architectural marvels of the 2003 Passat Engine Diagram schematic. Much like a blueprint for a grand structure, this visual guide unveils the secrets of how each component is meticulously arranged, providing insight into the inner workings of your car's powerhouse.

Electrical Harmony

Electrical Harmony: A Symphony of Precision

Witness the mesmerizing symphony of electrical harmony as the components in the 2003 Passat Engine Diagram work in unison. It's a ballet of electrons, a dance of precision that ensures your vehicle operates with seamless efficiency.

Troubleshooting Tips

Troubleshooting Tips: Navigating Potential Hiccups

Even the most finely tuned symphonies may encounter a discordant note. Fear not, as this segment offers tips and tricks to troubleshoot potential issues within the 2003 Passat Engine Diagram, ensuring a smooth performance on the road.

Maintenance Rituals

Maintenance Rituals: Nurturing Your Automotive Virtuoso

Just like any virtuoso, your car's engine demands care and attention. This segment unveils essential maintenance rituals derived from the 2003 Passat Engine Diagram, ensuring your vehicle remains a symphony of mechanical excellence for years to come.

Future Innovations

Future Innovations: The Ongoing Sonata

As automotive technology evolves, the 2003 Passat Engine Diagram hints at future innovations. This closing segment explores the ongoing sonata of technological advancements, promising an exciting future for automotive enthusiasts.

Conclusion:

As we conclude this insightful journey through the intricacies of the 2003 Passat Engine Diagram, we extend our gratitude to our esteemed readers for joining us in unraveling the technological symphony within your cherished vehicles. This comprehensive exploration of the wiring diagram and schematic details has provided a nuanced understanding of the inner workings of the 2003 Passat, shedding light on the precise orchestration of electrical components that power this automotive marvel.

For those seeking ongoing enlightenment on automotive intricacies, stay tuned for future updates. Our commitment to delivering in-depth analyses and practical insights, derived from the 2003 Passat Engine Diagram, remains unwavering. Whether you are troubleshooting potential issues or delving into the maintenance rituals outlined in our previous articles, our aim is to empower you with knowledge that enhances your driving experience. Your journey with the 2003 Passat continues, and we look forward to being your trusted guide in navigating the ever-evolving landscape of automotive technology.

Keyword:2003 Passat Engine Diagram

Related Keywords:Troubleshooting Tips, Future Innovations, Wiring Insights, Electrical Harmony, Maintenance Rituals, schematic guide, Passat Engine


No comments:

Post a Comment